【干货】关于职业技能等级鉴定,这些你都了解吗?
为贯彻落实国务院《国家职业教育改革实施方案》及教育部《关于在院校实施“学历证书+若干职业技能等级证书”制度试点方案》等文件精神,我校积极开展“1+X”证书制度工作,本文针对职业技能等级鉴定进行政策解读,干货满满,建议收藏哦!
问:什么是职业技能等级鉴定?
答:指经过人社部门备案的评价机构依据相关要求,对劳动者技能水平进行认定,是一种技能人才评价方式,是持证者从业时职业能力和水平的证明。
问:为什么要报考职业技能等级鉴定?
答:2019年4月4日,教育部会同国家发展改革委、财政部、市场监管总局联合下文要求,从2019年开始,在职业院校启动“1+X证书”,推行在校学生参加职业技能等级鉴定。
2022年5月19日,我校召开职业技能等级鉴定工作会,会议决定,全面启动职业鉴定,2019级学生自愿参加鉴定,从2020级开始实行全部参加鉴定。
问:什么是“1+X证书”?
答:教育部等四部门《关于在院校实施“学历证书+若干职业技能等级证书”制度试点方案》,“学历证书+若干职业技能等级证书”简称“1+X证书”。
问:职业技能等级证书有哪些?
答:职业技能等级证书分为:一级/高级技师、二级/技师、三级/高级工、四级/中级工、五级/初级工,实行全国统一的编码规则。证书样式:
问:我校是否经过人社部门备案的技能鉴定机构?
答:是。《重庆市人力资源和社会保障局关于同意职业技能等级评价机构备案的函》(渝人社函〔2021〕903号),经组织专家评估审核,同意我校备案。
问:我校可报考的职业技能等级鉴定有哪些?
答:目前,我校开设有六个职业技能等级鉴定:电工(初级、中级、高级);汽车维修工(初级、中级、高级);电梯安装维修工(初级、中级、高级);育婴员(初级、中级);养老护理员(初级、中级、高级);保育员(初级、中级)。
问:怎样报考职业技能等级鉴定?
答:班主任向学生宣讲相关政策和事项,学生向班主任报送个人鉴定报名材料。班主任资料收集齐全,填报考生花名册(详见附件2),在每月10日前报送到培训鉴定科,(注:每个工种每个考场30人)。培训科对申请参加鉴定学生的报名资料进行初步筛查,确认报考职业技能等级,适时组织学生参加理论知识学习、技能培训、鉴定考试。
问:报考职业技能等级鉴定时,需要报送哪些材料?
答:重庆市职业技能等级认定申报表(详见附件1)、个人证件照电子照片(姓名_身份证号)、身份证扫描照(姓名)、学籍证明(姓名)。
问:报考条件有哪些?
答:取得技工学校本专业或相关专业毕业证书,或取得经评估论证、以中级技能为培养目标的中等及以上职业学校本专业或相关专业毕业证书(含尚未取得毕业证书的在校应届毕业生)可报考初级、中级。
问:职业技能等级鉴定考试合格分数是多少?
答:鉴定考试分为理论知识考试和技能考核。
⑴ 理论知识考试采用闭卷方式进行,实行百分制,60分以上为合格。
⑵ 技能考核采用闭卷方式进行,实行百分制,60分以上为合格。
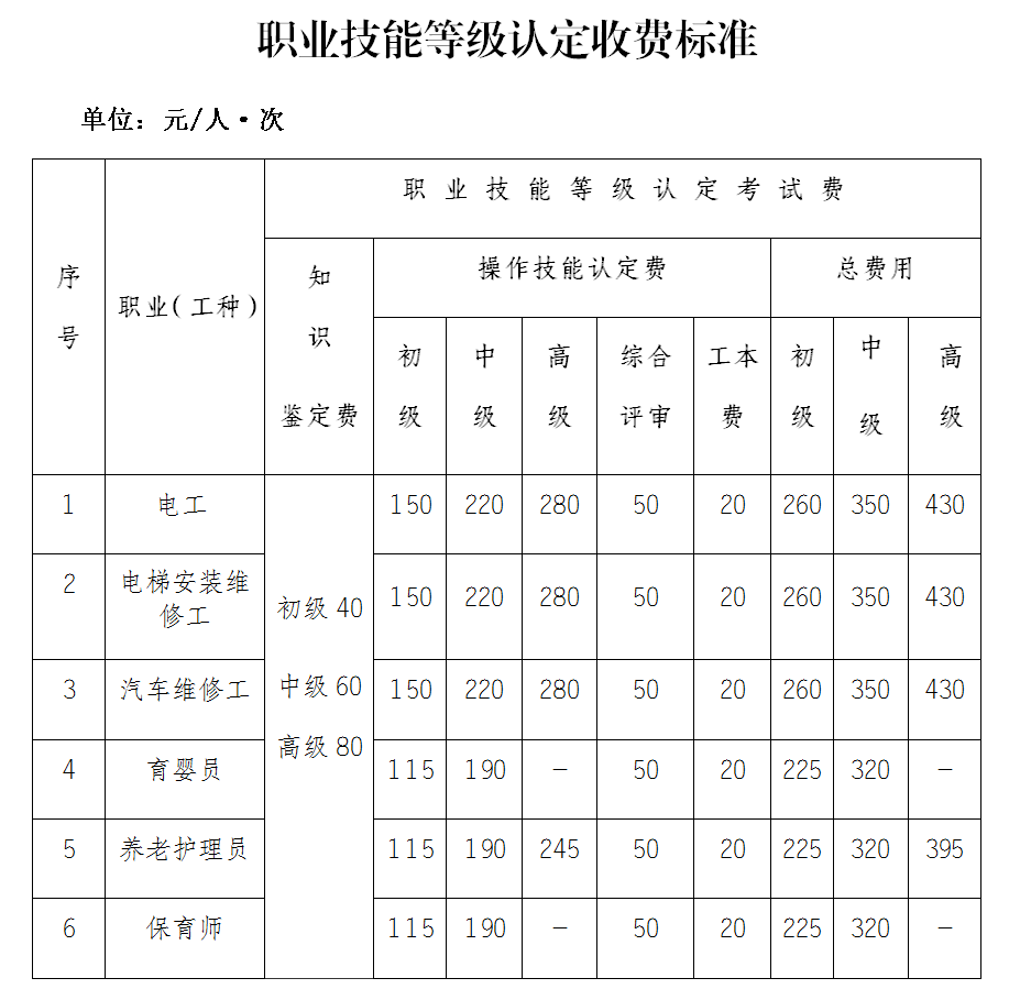
问:参加职业技能等级鉴定,是否要缴纳鉴定费用?
答:按照报备给相关管理部门同意收取职业技能等级鉴定费用的标准,收取鉴定成本费用,包括:知识鉴定费和操作技能认定费。
问:取得职业技能等级鉴定证书,对学生有哪些优势?
答:① 推进国家职业技能标准和行业评价规范建设,规范职业技能管理,推行“1+X证书”。
② 国家职能部门和企事业单位推行持证上岗。职业技能等级鉴定保证从业者的能力、职责、安全、保障、条件等具有的资质。
③学生在校学习期间,夯实职业道路规划。
④ 从学生转变为从业者,自我成长发展的需要。也是从业后,单位进行工作能力、业务水平考核时的有效补充。
⑤证书可在技能人才评价网(http://www.osta.org.cn)或人力社保局网(http://rlsbj.cq.gov.cn/ywzl/)查询。
⑥ 可作为持证者从业时职业能力水平的证明。
备注:附件1和附件2请到班主任处获取填写。





渝公网安备 50010802003232号